Производи
ПОЧЕТНА > Производи
Спољни СФ6 вакуумски прекидач серије ЗВ20
  • Спољни СФ6 вакуумски прекидач серије ЗВ20Спољни СФ6 вакуумски прекидач серије ЗВ20
  • Спољни СФ6 вакуумски прекидач серије ЗВ20Спољни СФ6 вакуумски прекидач серије ЗВ20

Спољни СФ6 вакуумски прекидач серије ЗВ20

Цомевилл фабрички висококвалитетни спољни СФ6 вакуумски прекидач ЗВ20 серије је спољни високонапонски вакуумски прекидач направљен за 12кВ, 50Хз трофазне системе наизменичне струје. Погодан је за руковање и заштиту струја оптерећења, преоптерећења и струја кратког споја — било у дистрибутивним мрежама, подстаницама, индустријским постројењима или сеоским енергетским постројењима. Посебно добро функционише у сценаријима који захтевају честе операције или аутоматизовану интеграцију мреже.

Као професионални произвођач спољног СФ6 вакуумског прекидача серије ЗВ20 у Кини, Цомевилл овај висококвалитетни прекидач садржи напредну технологију за гашење вакуумског лука и користи гас СФ6 као изолациони медијум. Интегрисали смо јапанску Тосхиба ВСП5 структурну технологију за њене могућности заптивања гаса, изолације и отпорности на експлозију—тако да је заптивање врхунско, нема цурења СФ6 гаса и ради поуздано без обзира на услове околине.

Његов механизам са опругом је компактан, са оптимизацијама за бољу поузданост и стабилност. Користили смо директни ланчани погон и вишестепени систем окидања, што чини његове перформансе много бољим од традиционалних опружних механизама. Главно коло има структуру наруквице за унутрашње ширење и спољну контракцију—овај дизајн одржава низак отпор контакта и смањује пораст температуре током рада.

Карактеристике производа

Ово кућиште спољног СФ6 вакуумског прекидача серије ЗВ20 користи ВСП5 технологију заптивене гасом, отпорну на експлозију и изолациону структуру — такође смо унапредили перформансе заптивања улазних и излазних водова. Цела јединица има врхунско заптивање: унутрашњи СФ6 гас уопште неће цурити и ради стабилно без обзира на оштре услове околине.

Његов механизам са опругом је минијатуризован и оптимизован за максималну поузданост и стабилност. Усвојили смо главни ланчани погон са директним дејством и вишестепени систем раздвајања, тако да су његова оперативна поузданост и стабилност далеко супериорнији у односу на традиционалне домаће механизме са опругом - као што је вишеструка надоградња перформанси.

Веза осовине и рукавца главног кола користи структуру ланца стола који се затвара према унутра и затеже према споља. Овај дизајн одржава отпор контакта главног кола ултра ниским, што резултира минималним порастом температуре током рада.

Вакуумски прекидач серије ЗВ20 на отвореном СФ6 произведен у Кини такође има додатне практичне функције: заштиту од прекомерне струје, индикатор за складиштење енергије механизма опруге и утичницу за авијацију за секундарне електричне везе. Веома је лако упарити се са интелигентним контролерима.

Осим тога, овај производ је у потпуности компатибилан са контролерима који имају одличну функционалност поновног затварања—савршено испуњавајући захтеве система за аутоматизацију дистрибуције енергије.

Спецификација производа:

Ставка Јединица Подаци
Називни напон кВ 12
Називна фреквенција Хз 50
Називна струја A 630
Називна струја прекида кратког споја кА 20
Називна струја стварања (вршна) кА 50
Називна динамичка струја (вршна) кА 50
4с Називна краткотрајна отпорна струја кА 20
Називна радна секвенца
Отворено–0,3с–Затвори Отворено–180с–Затвори Отворено
Називни напон мотора за складиштење енергије V АЦ220
Максимални/минимални напон мотора за складиштење енергије V АЦ242/АЦ18

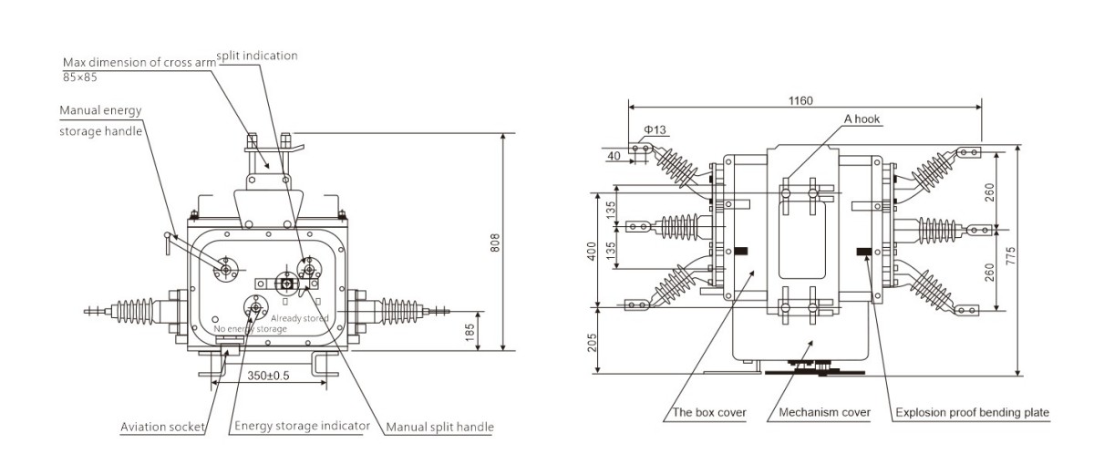
ПРЕГЛЕД И ДИМЕНЗИЈЕ ИНСТАЛАЦИЈЕ

Савети за наручивање

Овде смо детаљно прегледали кључне карактеристике, техничке спецификације и где најбоље функционише, спољашњег СФ6 вакуумског прекидача серије ЗВ20. Да бисте били сигурни да ћете добити прави - укључујући било које прилагођене подешавања - имајте на уму ове једноставне тачке када наручите:

Наведите своје основне потребе: Обавестите нас који вам је потребан називни напон, струју и струју прекида кратког споја. Ако желите додатке као што су изолациони прекидачи или комуникацијске функције, само их јасно наведите.
Поделите своје услове на лицу места: Реците нам о окружењу у коме ће се прекидач користити – ствари као што су надморска висина, распон температуре и ниво загађења. Ово осигурава да се поуздано држи у вашем специфичном подешавању.
Наведите све прилагођене захтеве: Ако су вам потребна нестандардна подешавања, додатне функције заштите или желите да ради са одређеним контролним системом, дајте нам што више детаља.

Треба вам прилагођено решење, јединствена конфигурација или имате питања о коришћењу овог прекидача у нестандардним сценаријима? Наш технички тим је ту да вам помогне да добијете управо оно што вам је потребно. Само се обратите данас да бисте разговарали о вашим захтевима.

Хот Тагс: Вакуумски прекидач серије ЗВ20 на отвореном СФ6, Кина, произвођач, добављач, фабрика, велепродаја, прилагођено, на лагеру, произведено у Кини, ниска цена, квалитет
Пошаљи упит
Контакт информације
  • Адреса

    Но.777 Ванвенг Роад, Венгианг Суб-Дистрицт, Иуекинг Цити, Вензхоу Цити, Зхејианг Провинце, Кина

  • Е-маил

    hannah@comewill.com

Пошаљите упит Цомевилл-у за расклопне уређаје, вакуумске прекидаче, струјни трансформатор. Добијте прилагођене понуде, ниске цене или стручну подршку од нашег фабричког тима у Кини.
X
Користимо колачиће да бисмо вам понудили боље искуство прегледања, анализирали саобраћај на сајту и персонализовали садржај. Коришћењем овог сајта прихватате нашу употребу колачића. Политика приватности
Одбити Прихвати