Производи
ПОЧЕТНА > Производи
ЛМЗЈ1-0,5 струјни трансформатор
  • ЛМЗЈ1-0,5 струјни трансформаторЛМЗЈ1-0,5 струјни трансформатор
  • ЛМЗЈ1-0,5 струјни трансформаторЛМЗЈ1-0,5 струјни трансформатор
  • ЛМЗЈ1-0,5 струјни трансформаторЛМЗЈ1-0,5 струјни трансформатор

ЛМЗЈ1-0,5 струјни трансформатор

Струјни трансформатор ЛМЗЈ1-0.5 је уређај сабирница са пролазним типом дизајниран посебно за унутрашња АЦ кола, произведен од стране Цомевилл-а, професионалног произвођача у Кини. Овај производ је посебно дизајниран за системе са називним напоном од ≤ 0,5кВ и фреквенцијом од 50Хз. То је основна компонента за мерење струје, мерење енергије и релејну заштиту у нисконапонским енергетским уређајима и веома је погодна за масовну набавку у индустријским и комерцијалним пројектима.

Као професионални произвођач у Кини, Цомевилл жели да вам пружи прилагођени струјни трансформатор ЛМЗЈ1-0,5, који је рафиниран коришћењем технологије ливења изолације од смоле и усваја фиксни режим постављања основне плоче. Са бољом оперативном стабилношћу и дуготрајном издржљивошћу, штеди трошкове одржавања за партнере у набавци из корена. Пружа вишеструке опције високопрецизних зупчаника од 0,2, 0,5, 0,2с и 0,5с, лако покривајући различите потребе апликација у различитим сценаријима.

Компактни структурни дизајн чини инсталацију и примену флексибилнијим, а двострука подршка врхунске безбедносне конфигурације и ултра дуг радни век чини ЛМЗЈ1-0,5 струјни трансформатор поузданим избором у набавци модерних нисконапонских система. Вреди напоменути да овај нисконапонски трансформатор има одличну отпорност на високе температуре и отпорност на загађење, и може да одржи стабилан рад чак иу тешким окружењима, максимизирајући вредност сваке инвестиције у набавку.

Структура производа

Језгро ЛМЗЈ1-0,5 струјног трансформатора је кружно гвоздено језгро направљено од хладно ваљаних оријентисаних силиконских челичних лимова – овај прецизан дизајн намотаја је кључ за максимизирање магнетне ефикасности и постављање темеља за поуздан рад.
Секундарни намотај је равномерно омотан око овог кружног гвозденог језгра, што је пажљиво дизајниран распоред који обезбеђује конзистентне перформансе у свим радним условима и елиминише проблеме са неуједначеним излазом.
Централни прозор пролази кроз средину производа и дизајниран је за беспрекорну интеграцију сабирница, док чврста база на дну обезбеђује сигурнију и стабилнију тачку за уградњу производа, што га чини лаким за инсталацију.
Цела компонента је ливена од незасићеног смолног изолационог материјала. Ово чврсто кућиште не само да повећава издржљивост, већ и побољшава сигурност и штити унутрашње компоненте од притиска околине, чинећи трансформатор отпорним у различитим радним окружењима.

Параметар

Елецтрицал Параметер Механички параметар
Фреквенција 50/60Хз Случај ПЦ/УЛ94-В0
Ратед Инпут 5А-5000А Боббин ПБТ
Мерни опсег 5%Ин-120%Ин Цоре Силицијум челик
Ратед Оутпут 1А,5А Изградња Сцрев
Ратио Волтаге 0,72КВ (АЦ) Радна темп -25℃~+75℃
Диелектрична чврстоћа 3.0КВ/1мА/1мин Радна влажност ≤85%
Отпорност изолације ДЦ500В/100МΩ мин Излазна веза Терминал
Модел Примарни / Секундарни Димензије отвора за сабирницу (мм) Називно оптерећење (ВА) Класа тачности Називни напон
ЛМЗЈ1-0,5 30 5/5А~300/5А ø=31мм 2.5~5 0.2С 0.5С 0.5 0,72КВ(АЦ)
ЛМЗЈ1-0,5 35 5/5А~300/5А ø=35мм 2.5~5 0.2С 0.5С 0.5 0,72КВ(АЦ)
ЛМЗЈ1-0,5 40 200/5А~500/5А ø=42мм 5 0.2С 0.5С 0.5 0,72КВ(АЦ)
ЛМЗЈ1-0,5 50 400/5А~600/5А ø=56мм 5 0.2С 0.5С 0.5 0,72КВ(АЦ)
ЛМЗЈ1-0,5 80 750/5А~1200/5А ø=83мм 10~20 0.2С 0.5С 0.5 0,72КВ(АЦ)
ЛМЗЈ1-0,5 100 800/5А~2000/5А ø=102мм 10~30 0.2С 0.5С 0.5 0,72КВ(АЦ)
ЛМЗЈ1-0,5 140 2000/5А~4000/5А ø=142мм 15~30 0.2С 0.5С 0.5 0,72КВ(АЦ)
ЛМЗЈ1-0,5 180 5000/5А~6000/5А ø=182мм 15~30 0.2С 0.5С 0.5 0,72КВ(АЦ)

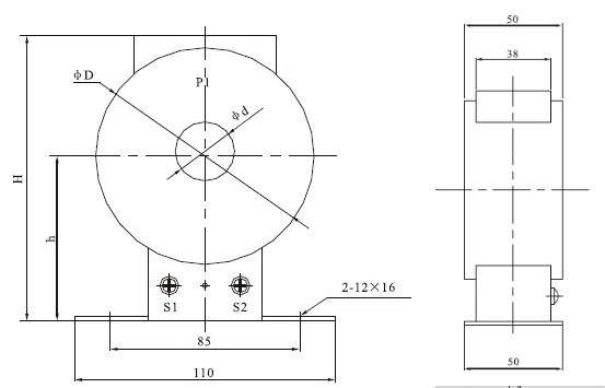
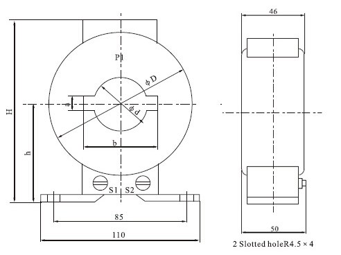
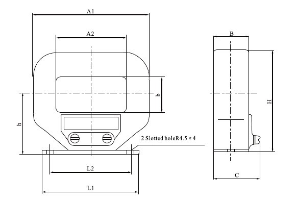
Нацрт и димензије инсталације

Тип Цуррент Ратио H h φД φд
ЛМЗ1-0.5 5-300/5 117 68 90 30
Тип Цуррент Ратио H h φД φд a b
ЛМЗЈ1-0.5 5-300/5 118 70 91 32 10 41
400-600/5 128 75 97 43 12 52
Тип Цуррент Ратио А1 А2 B h H Л1 Л2 C b
ЛМЗЈ1-0.5 1000/51200/51500/5 172 104 30 80 140 156 123 41 50
2000/53000/5 216 140 42 102 182 175 150 46 70
4000/55000/5 238 150 55 117 220 230 180 60 94
Хот Тагс: ЛМЗЈ1-0.5 струјни трансформатор, Кина, произвођач, добављач, фабрика, велепродаја, прилагођено, на лагеру, произведено у Кини, ниска цена, квалитет
Пошаљи упит
Контакт информације
  • Адреса

    Но.777 Ванвенг Роад, Венгианг Суб-Дистрицт, Иуекинг Цити, Вензхоу Цити, Зхејианг Провинце, Кина

  • Е-маил

    hannah@comewill.com

Пошаљите упит Цомевилл-у за расклопне уређаје, вакуумске прекидаче, струјни трансформатор. Добијте прилагођене понуде, ниске цене или стручну подршку од нашег фабричког тима у Кини.
X
Користимо колачиће да бисмо вам понудили боље искуство прегледања, анализирали саобраћај на сајту и персонализовали садржај. Коришћењем овог сајта прихватате нашу употребу колачића. Политика приватности
Одбити Прихвати